Bridge Type Cable Laying Roller

Bridge type cable laying rollers

Get in touch

Download info sheet

Save for later

Warning

Cancer and Reproductive Harm
www.P65Warnings.ca.gov

Features and benefits

  • Available in different configurations
  • Zinc plated
  • Suitable for power, telecoms and utility installs

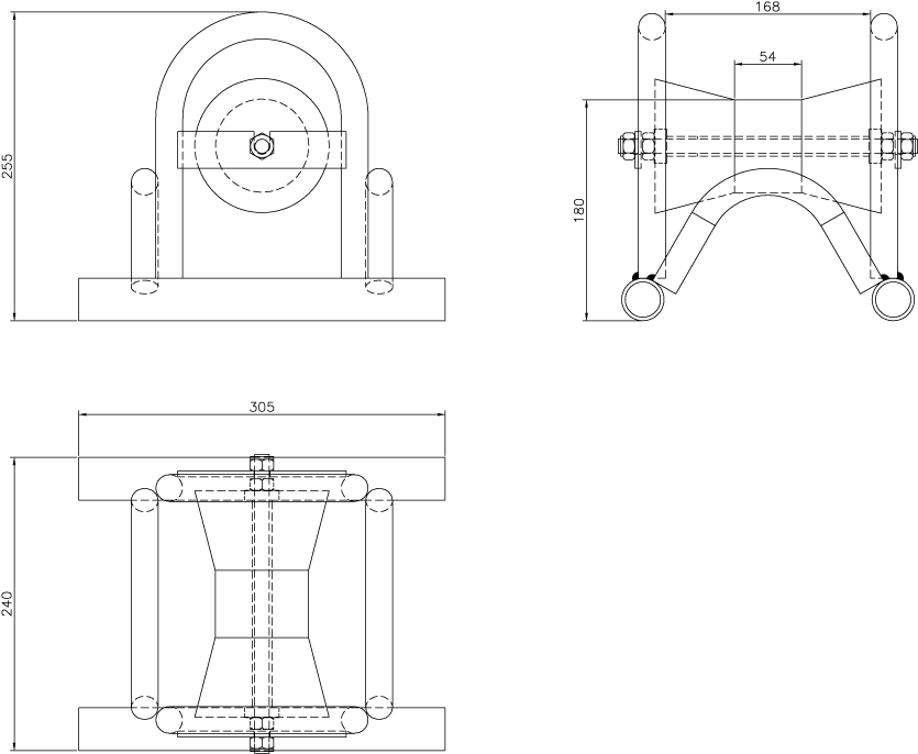
They are of steel construction with zinc plating for general purpose cable installation work in trenches. They are suitable for power, telecoms and utility installations, and can bridge existing cables in trenches or ducts.

Cable laying rollers
Slingco Part No. Base footprint (mm) Height to top of roller (mm) Handle height (mm)
ZGP2395305 x 240180255

A note about dimensions and tolerances

Slingco Part No. Base footprint (in) Height to top of roller (in) Handle height (in)
ZGP239512 x 9.57.12510

A note about dimensions and tolerances

Related products

Heavy duty triple corner cable laying roller

This is a heavy duty corner cable roller for use in most cable laying applications. They can be used sing...

Compact bridge type cable laying roller

This is a compact cable roller for use in narrow trenches and/or in confined areas. * The specification c...

Edge mount manhole lead in cable laying rollers

The manhole cable roller leads the cable from the drum into the jointbox/manhole or the winch bond out of...

Don't see the product you need?

Our range is continually developing and expanding - plus we frequently undertake custom engineering design - so if you don’t see the exact product you need, please contact us with your exact requirements.

Product search

Featured markets

Slingco cable products and assemblies are used in a variety of industries such as Construction, Automotive, Manufacturing, Aerospace, Mining, Agriculture, Telecommunications, Public Utility, the military and the performing arts.
Slingco is a leading supplier of cable protection products for Operators and Service Providers in the Oil and Gas industry. Thousands of configurations to exactly match your well run needs.
Slingco cable pulling grips, cable support grips and swivels are widely specified throughout the power utility industry.
View all markets
  • We received the parts today, and I just wanted to tell you that it has been a pleasure working with you on these cable protectors. You guys did a great job of getting us what we needed and getting it to us quickly. We look forward to developing a long and mutually beneficial relationship between our companies.

    Kent

  • Thank you so much for your excellent customer service — especially to the shipping department.

    Ricardo

  • Thanks so much for your help. As always, you guys are Awesome. It’s a pleasure to work with you!

    Charlie

  • We do so appreciate your efforts ... as we expected, Slingco continues to keep the bar high when it comes to customer service and support. Looking forward to many more years of our continued success together!

    Bill

  • I know this is a quote, but I cannot express to you how much it means to see 'ALL PARTS ARE IN STOCK' - your team does a fine job.

    Robert

  • Thanks for the awesome customer service!

    Holly

  • Thanks a lot to you guys. It is a pleasure to receive such superlative customer service.

    Yvan

  • I really appreciate how accommodating you and your company have been with our requests. Great work!

    Steve

Want to know how Slingco could make a difference to your business? Find out more...

See what makes us tick: watch our company video